Логарифмический двухполупериодный выпрямитель н...
Микросхема для стрелочных индикаторов
Кит. Драйвер стрелочного индикатора К157да1 куп...
Datasheet К157ДА1 - Просмотр и загрузка
К157да1 Москва, Стремянный переулок | Festima.R...
Микросхема К157ДА1 (ID#2334802279), цена: 55 ₴,...
К157ДА1, Микросхемы, характеристики, применение...
К157ДА1 - мікросхема двоканальний двонапівперіо...
К157ДА1 - ИС управления индикацией - МИКРОСХЕМЫ...
Купить К157ДА1 по цене 6 грн. в интернет магази...
К157ДА1 - МИКРОСХЕМЫ - отечественные электронны...
К157ДА1 - Двухканальный двухполупериодный ампли...
К157да1 плата управления для индикаторов купить...
Микросхемы К157ДА1 (1 штука) купить на OZON по ...
К157ДА1 - Куплю - Форум по радиоэлектронике
К157ДА1 - два двухполупериодных выпрямителя сре...
К157ДА1 - купить по выгодной цене | Радиолавка ...
К157да1 аналог
Микросхема к157да1 радиодетали СССР купить в Си...
Микросхема к157да1 купить в Ростове-на-Дону | Э...
Митино S-10/Радиодетали/Электронные компоненты/...
м/сх к157да1 купить в Саратове цена 200 Р на DI...
Микросхемы К157УП1 и К157УП2
Микросхемы К157уд1, 2, 3, К157да1, К155ид1 купи...
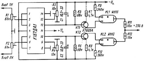
Project of a signal level dial indicator on K15...
Микросхема К157ДА1 купить по низкой цене в Моск...