ОВЕН ИТП-11.ЗЛ.Н3
ИТП-11 измеритель технологических параметров то...
Индикатор итп
Руководство по эксплуатации ИТП-11 - VOLTAGE
ИТП-11.ЗЛ ОВЕН Индикатор токовой петли - цена 6...
ИТП-11.ЗЛ Овен - цена, описание, характеристики...
ИТП компактный измеритель - ТО «ОВЕН-ЭНЕРГО»
ОВЕН ИТП-11 индикатор токовой петли по низкой цене
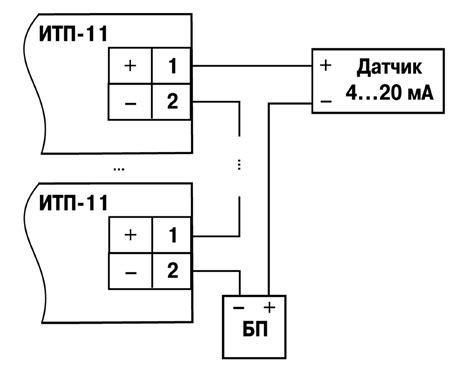
ОВЕН ИТП-11. Примеры применения
ОВЕН ИТП-11.ЗЛ
ZTL-11/Type 11 fire support vehicle (2009)
Купить Измеритель сигнала токовой петли ИТП-11....
☝Гайд на ZTL-11: Один из лучших / Armored Warfa...
ИТП-11.ЗЛ.Н3 измеритель технологических парамет...
Устройства контроля и управления оборудования –...
ИТП-11.ЗЛ.Н3 Овен - цена, описание, характерист...
Итп 11 индикатор токовой петли схема подключения