Монтажный блок с подпанельной проводкой Калина ...
Монтажный блок заново. — Lada Калина универсал,...
Монтажный набор для подключения ПТФ Лада Калина...
Монтажный блок калина 1 – Схема монтажного блок...
Монтажный блок №1 (под панелью приборов) (Тойот...
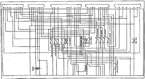
Распиновка блока калина 1
Описание предохранителей и реле Лада Калина со ...
Калина 1 поколения. Операция Климат контроль. П...
Схема монтажного блока предохранителей на лада ...
Советы по выбору монтажного блока предохранител...
Монтажный блок под реле и предохранители с пинц...
Монтажный блок Калины (блок предохранителей) - ...
Схема монтажного блока предохранителей на Лада ...
Схема блок фары калина 1 - Фото подборки
Монтажный набор комплект подключения ПТФ против...
Где находится реле стартера на Лада Калина: фот...