Микросхема 34063api схема включения: 34063 Схем...
Стабилизатор тока светодиодов на микросхеме МС3...
Схема мигалки на основе импульсного регулятора ...
34063Api схема: Микросхема MC34063 схема включе...
Повышающий преобразователь на МС34063 - Преобра...
Introduction to MC34063 - The Engineering Projects
Преобразователь мс34063 из 12в-5в 3-5Ампер - Yo...
Стабилизаторы напряжения на полевых транзистора...
Dc dc преобразователь повышающий 12в • Вэб-шпар...
Mc34063 стабилизатор тока для светодиодов
MC34063 Один из самых распространенных ШИМ (ЧИМ...
Мс34063 схема включения
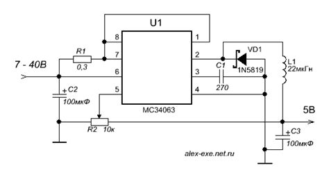
Изображение
34063Api схема – Микросхема MC34063 схема включ...
DC/DC преобразователь на МС34063, набор для сбо...
Tool Electric: MC34063 описание на русском
СТАБИЛИЗАТОР НА МИКРОСХЕМЕ МС34063
Микросхема MC34063 схема включения | Практическ...
Datasheet mc34063a
Способы заряда Li-ion аккумуляторов и батарей н...
Схема включения mc34063: Mc34063 схема включени...
Стабилизатор тока светодиодов на микросхеме мс3...
Mc34063a схема включения простые устройства
Mc 34063 микросхема схемы применения
Схема стабилизатора напряжения: микросхема, имп...
повышающий преобразователь на МС34063 | Амперка...