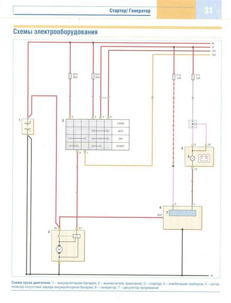
Схема бензонасоса газель 406 двигатель
Распиновка разъема модуля бензонасоса газель - ...
Разъем (024) Газель к модулю бензонасоса Москва...
Схема подключения бензонасоса газель
Разъем погружного бензонасоса Газель. - арт. АМ...
Распиновка разъема бензонасоса газель - 82 фото
Разъем для подключения погружного бензонасоса н...
Схема бензонасоса газель 405 евро 3 подключения
Схема подключения реле бензонасоса газель
Схема подключения бензонасоса газель 405 евро 3...
Проводка бензонасоса — ГАЗ Газель, 2,5 л, 2007 ...
Разъем бензонасоса внутренний газель - 178.00UA...
Как распиновать разъем бензонасоса на Газели: п...
Реле и предохранитель бензонасоса Газель Бизнес
Разъем (004) Газель на модуль погр. бензонасоса...
Распиновка разъема бензонасоса газель
Распиновка разъема бензонасоса газель - АвтоТоп
Мучения с бензонасосом. Эл. схемы. — ГАЗ Газель...
Купить Разъем бензонасоса внутренний ГАЗель /, ...
Реле бензонасоса газель 405 где находится: Где ...
Распиновка разъема бензонасоса ГАЗель
Распиновка бензонасоса газель: Реле и предохран...
Разъем четырехконтактный (4 контакта) бензонасо...
Разъем модуля погружного бензонасоса(4)