Транзистор мп42 аналог
Транзисторы МП39, МП40, МП41, МП42. Что внутри....
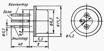
Транзисторы германиевые плоскостные: МП42, МП42...
Транзисторы СССР мп 42 купить в Екатеринбурге |...
МП42, МП42А, МП42Б — rcl-radio.ru
МП42Б транзистор м42б СССР (4шт.) купить в Сара...
Транзистор мп42б характеристики цоколевка
Мп42а транзистор
Приемник на двух транзисторах схема
Транзисторы МП39, МП40, МП41, МП42.
MP42b Germanium PNP Transistors Set Of 5 | Reverb
MP42B (МП42Б) NOS CCCP PNP germanium transistori
Куплю: Куплю Германиевые транзисторы МП9-МП42, ...
МП42, МП42А, МП42Б - германиевые p-n-p транзист...
МП 42, Tube МП42; Röhre МП 42 ID39842, Transist...
Как выглядят транзисторы фото
Електронен магазин за радиолампи и редки електр...
Транзистор МП42 1179 купить в Уфе цена 20,00 Р ...
Параметры транзисторов МП26 — МП42 | Мастер Вин...
Транзистор МП42 купить в Самаре цена 44,00 Р на...
Музей отечественных транзистоов - П39, П40, П41...
П42 - Музей электронных раритетов
MP42B M42 TRANSISTOR AL GERMANIO (5 PEZZI) - #7...
МП42Б транзистор 6шт - купить с доставкой по вы...
Транзистор мп42 на схеме
Транзистор МП42 PNP – фото, отзывы, характерист...