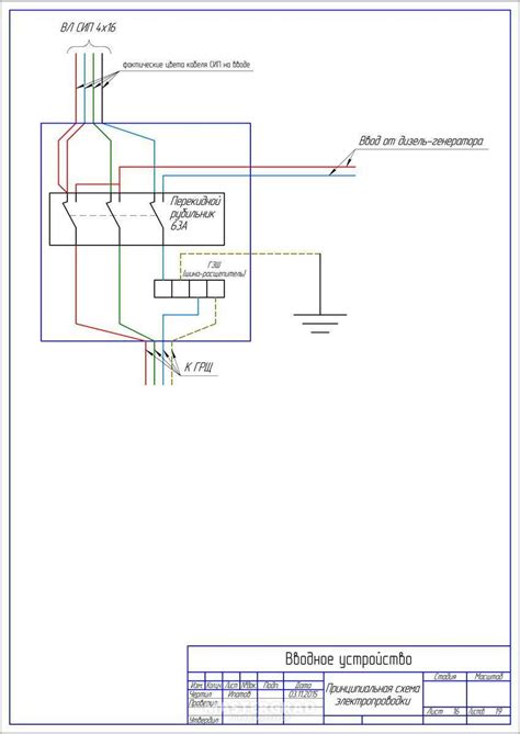
Перекидные рубильники ярп иэк до 630а на два на...
Перекидной рубильник: на два направления и для ...
Перекидной рубильник на два направления и для г...
Рубильник перекидной на два направления