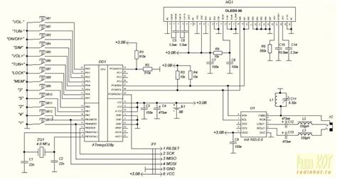
Приемник сигналов RDS. Схема, описание
Купить Приемник SONY STR-KG800 RDS HDMI DTS: от...
Официальный зарегистрированный код 4,17 ATS25 M...
Радио RDS FM/AM приемник Поддержка OBD 3g/4G за...
РадиоКот :: Портативный FM приемник на радиомод...
Купить SONY STR-D365 НАДЕЖНЫЙ СТЕРЕО ПРИЕМНИК R...
ATS100 SI4732 150K-30MHZ 64M-108MHZ Вседиапазон...
Автомагнитола 1 Din с поддержкой RDS, Bluetooth...
Новая версия 4.17 прошивка ATS25AMP RDS приемни...
Радиоприемные устройства с последетекторной ЦОС...
Rds приемник для пк
РАДИО CD RDS ПРИЕМНИК RENAULT MEGANE 3 III - КР...
Купить КОМПАНИЯ TECHNICS SA-EX120 СТЕРЕО ПРИЕМН...
RDA5807M стерео FM тунер модул с RDS - радио пр...
CD RDS приемник | Festima.Ru - Мониторинг объяв...
Радиоприемник FM RDS AM LW MW SW SSB DSP приемн...
ATS25 Max Si4732 Вседиапазонный радиоприемник F...
ATS25 AMP RDS Полнодиапазонное радио FM RDS AM ...
4,17 Air ATS25 Max декодер полнодиапазонный рад...
SI4732 ATS-25 Max-декодер радиоприемник Версия ...