Схема тиристорного пускателя для асинхронного д...
Тиристорный пускатель схема: Симисторный пускат...
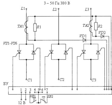
Тиристорный контактор (пускатель) для асинхронн...
28.2 Пускатели тиристорные серии пт
Тиристорный пускатель: что это, принцип работы,...
Тиристорный пускатель: Тиристорные пускатели ку...
Бесконтактные тиристорные контакторы и пускатели
Пуск электродвигателя через тиристорный пускате...
Тиристорные контакторы для конденсаторных устан...
Тиристорные пускатели | Электрооборудование и а...
Тиристорные контакторы (пускатели) CDP (серия C...
Тиристорный пускатель серии ПТ
Тиристорный пускатель серии пт — Код к Успеху: ...
Тиристорный модуль плавного пуска - РосТехЦентр
Пускатель бесконтактный тиристорный ПБТ
Тиристорный пускатель ТРП1-10А | Научно-произво...