Устройство водостока со скатных крыш: двускатно...
Раздел 8-2 Кровли скатных крыш
Схема водостока – Устройство водостока со скатн...
Устройство водостока со скатных крыш - варианты...
Водоотвод со скатных крыш
Устройство водостока со скатных крыш: Устройств...
Устройство водостока – Устройство водостока со ...
Кровли скатных крыш, требования к ним. Водоотво...
Устройство водостока со скатных крыш: водосточн...
Как сделать водосливы с крыши: правила обустрой...
Устройство внутреннего водостока на плоской и с...
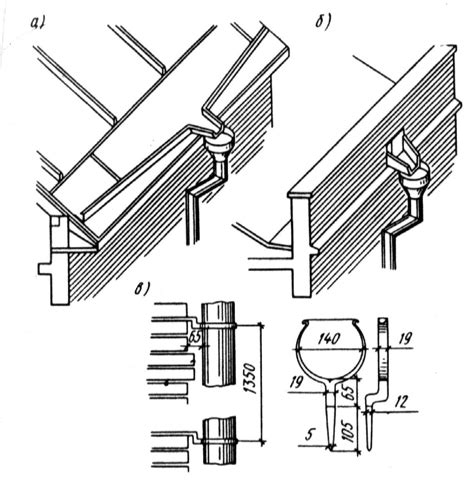
«Рис. 20.9. Организованный наружный водоотвод с...
Водоотведение для скатной кровли
Водоотвод с кровли – внутренний и наружный, пра...
Водоотвод с крыши: назначение, устройство, этап...