Автономный источник питания на 2х элементах 18650
Автономный блок питания "АБП". RCA. АКЦИЯ!! Уни...
Автономный блок питания АБП-05 купить с доставк...
Автономный блок питания на аккумуляторах 18650 ...
« АБП », Автономный блок питания
Сигнатек — Автономный блок питания 5В / 12В
JOYO JMP-01 Portable Pedal Power Supply купить ...
Автономный лабораторный блок питания - YouTube
Автономный блок питания (батарейный блок питани...
Автономный переносной блок питания на 12 Вольт ...
Автономный блок питания, АБП-07
Автономный регулируемый блок питания (конструкц...
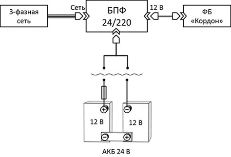
Блок питания фоторадарный "БПФ 24/220" --- авто...
Автономный блок питания мини трансивера - YouTube
АВТОНОМНЫЙ БЛОК ПИТАНИЯ SEELOCK АБП купить в Мо...
Автономный блок питания для компьютера
Автономный блок питания Magic Smile для лампы M...
Самодельный Автономный Блок Питания DC DC XL600...
Автономный блок питания SEELOCK АБП - 11 750 ру...
Автономный блок питания 12 Вольт на солнечной б...
Автономный Блок Питания 14.8 Вольт - YouTube
Автономный блок питания своими руками на 500 Вт...