1шт Транзистор 2N2222a (корпус TO92) 2N2222 A 3...
Типы корпусов импортных транзисторов и тиристоров
5шт Транзистор BC546B корпус TO-92 (NPN 65В 0.1...
Транзисторы биполярные в корпусе TO-92 :: ДАРТ ...
Транзистор 2SC1027-Y TO-92mod, биполярный - куп...
When Only A TO92 Will Do | Hackaday
Температурный датчик DS18B20 корпус TO-92 купит...
Транзистор 2N2222, биполярный NPN, 40V, 0.6A, к...
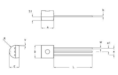
Размеры корпуса TO-92. Справочник транзисторов ...
TO92, TO-92, TO 92, T092, T0-92, T0 92, TO92A, ...
TO-92. Тип корпусу. Розміри. - Corelamps
Датчик Холла HAL815A marking 815A Micronas корп...
Encapsulado TO-92 TO-237 TO-92S(mini)
TO92 - Datasheets
ORIGINAL COMPONENTS
2N3906BU - Транзистор биполярный, стандартный, ...
5шт Транзистор 2SC1815 корпус TO-92 (C1815 CR33...
TO серия :: ДАРТ Электроникс
TO-92-TO系列-佛山市蓝箭电子股份有限公司
TO-92 Package
5шт Транзистор S9014 (корпус TO-92) C331 (он же...
TO-92 — корпус ЭК
TO-92 Case Package Details by Central Semicondu...
32209210 - Датчик температурный, платиновый, ко...
Корпуса транзисторов то 126
Купить Датчик температуры, измерительный преобр...
encapsulado TO-92 - OnubaElectrónica.es
TO92 | это... Что такое TO92?
Купить PNP транзистор BC557B в корпусе TO-92
Транзистор біполярний NPN 2N2222 (TO-92): ціна ...
TO92 Type B
TO-92: A Common Package for Today’s Low-Power T...
2N5551