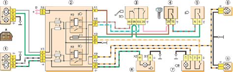
Электрическая схема ваз 2114 инжектор 8 клапано...
Электрическая схема автомобиля ВАЗ 2114. Электр...
Датчики ваз 2114 инжектор 8
Электросхема ваз 2114 инжектор 8 клапанов с опи...
Топливная система ВАЗ 2114 инжектор 8 клапанов
Схема ваз 2114 инжектор 8 клапанов с описанием
Устройство двигателя ВАЗ-2114 инжектор 8 клапанов
Схема мозгов ваз 2114 инжектор 8 - New Lada
Схема торпеды ваз 2114 инжектор 8 клапанов - Ne...
Как проверить модуль зажигания ваз 2114 инжекто...
Схема дворников ваз 2114 инжектор 8 - New Lada
Схема электропроводки ваз 2114 инжектор 8 клапа...
Электрическая Схема Ваз 2114 Инжектор 8 Клапано...
Схема ваз 2114 инжектор 8 клапанов схема
Распиновка эбу ваз 2114 инжектор 8 клапанов с о...
"Мозги" ВАЗ-2114: виды, принцип работы и диагно...
Двигатель ваз 2114 инжектор 8 клапанов устройст...
Как выставить зажигание на ВАЗ 2114 инжектор 8 ...
Монтажный блок ваз 2114 инжектор 8 клапанов
Тюнинг двигателя ВАЗ 2114: 5 способов увеличени...
Ваз 2114: схема топливной системы (инжектор, 8 ...