Купить Передвижная баня Контроллер сауна, сауна...
Скачать Контроллер для сауны TOLO-CON4 — инстру...
WIFI многофункциональный контроллер печи для са...
ZL-7801A Контроллер температуры и влажности (ин...
Saunasteuerung Saunasteuergerät Sauna | Kauflan...
Электрические печи для бани и сауны | henki.pro
Купить VEVOR 400V Управление каменкой для сауны...
Tech ST-3800 контроллер для сауны - купить недо...
Умная смарт баня с автоматикой на ардуино и газ...
Sawo нагреватель для сауны - история цены и отзывы
Хромотерапия WDT для бани и сауны (6 LED светил...
Пульт управления сауной | henki.pro
Парогенераторы ТМ Паромакс! Качество проверенно...
Контроллер для сауны - YouTube
Купить Генератор пара 220 В/380 В, домашний пар...
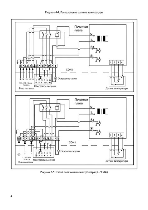
Контроллер для сауны
Lcd Usb Port 4.5kw Digital Sauna Controller For...
Контроллер температуры для сауны - Строим вмест...
VEVOR VEVOR 3-9KW Sauna Controller digitale per...