Блок питания для гитарных примочек (изолированн...
Примочки для электрогитары схемы своими руками ...
Три бюджетных набора для электрогитары, или что...
Электроприставка КОМФОРТ | ELECTROPRISTAVKA
Примочка для электрогитары схема - 86 фото
Примочки для электрогитары схемы своими руками
Простейшая самодельная гитарная примочка | Само...
Примочка для электрогитары схема
Схема примочки для гитары — МАСТЕРСКАЯ Жизни
Приставка Для Электрогитары - Гитарное оборудов...
Электрогитара - Примочки для звука - YouTube
ЭЛЕКТРОГИТАРА
#примочка #примочку #примочки #для #игры #на #г...
Подключаем электрогитару с примочкой к компьюте...
Примочка для Логитека — DRIVE2
РадиоКот :: Бустер для электрогитары
Гитарная примочка своими руками :) - YouTube
ТОП электрогитары для начинающих 2023, 5 лучших...
Гитарная примочка | Пикабу
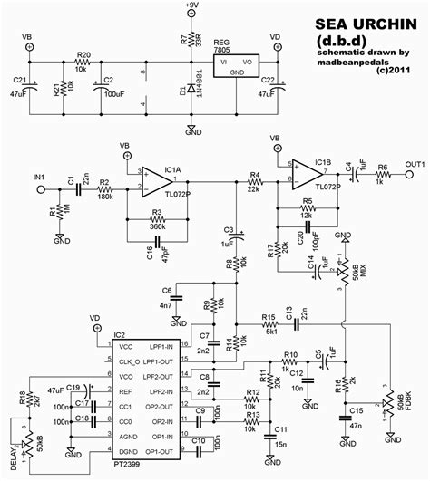
Схемы примочек, педалей и приставок для электро...
Супер примочка для гитары ручной работы!!! - Yo...
Загруженный Prewired электрогитара Pickguard 11...
Электрогитара. » Дом Спички - поделки из спичек...
WASP.kz - Статьи: Блок эффектов Анита, СССР
Примочка для электрогитары .. Mosky .. (( Sprin...