С2000-БКИ (вер.3.XX) (2* RS-485) + С2000-КДЛ-2И...
Управление инженерными системами при пожаре
Обновленный контрольно-пусковой блок С2000-КПБ ...
Контрольно-пусковой блок С2000-КПБ
Блок индикации С2000-БИ исп.02, С2000-БИ исп.02...
С2000-КПБ | Контрольно-пусковой блок с 6 исполн...
Купить контроллер двухпроводной линии с двумя и...
Блок индикации С2000-БИ 2RS485 купить недорого ...
Подключение с2000 кпб к компьютеру
Расскажем о С2000 кпб для чего нужен
Организация звезды rs-485 с помощью С2000-ПИ( с...
С2000-ПИ Преобразователь интерфейсов RS-232/ RS...
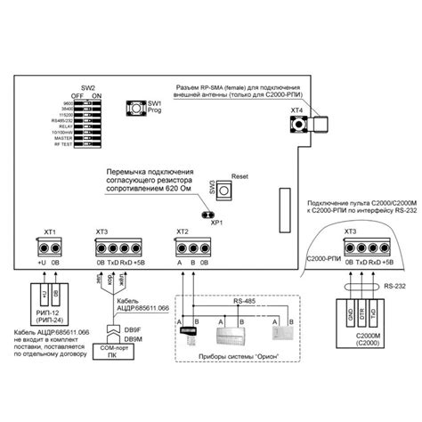
Болид: С2000-РПИ Радиоканальный повторитель инт...
С2000-Ethernet - Преобразователь интерфейсов RS...
С2000-КДЛ-2И исп.01 | Контроллер двухпроводной ...
Прошивки с2000
Преобразователь интерфейсов RS-485/RS-232 в Eth...
Преобразователь протокола "С2000-ПП"
Орион по rs-485?
С2000 КПБ Болид Контрольно пусковой блок
С2000 болид схема подключения
Болид С2000-КДЛ-2И исп.01 Контроллер двухпровод...
С2000 ПИ Болид - преобразователь интерфейсов RS...
Организация канала интерфейса RS-485
С2000 КПБ Контрольно-пусковой блок с 6 исполнит...