Карпета мания — Lada Приора седан, 1,6 л, 2008 ...
Блок комфорта управления электропакетом эбу эле...
Закупаемся — Lada Приора хэтчбек, 2012 года | с...
Установил покупачки… — Lada Приора седан, 1,6 л...
Электро привод багажника ПРИОРА! - YouTube
Carfest — Lada Приора хэтчбек, 1,6 л, 2011 года...
О нас - О заводе ||| ЭлектронБытприбор
Сабик — Lada Приора универсал, 1,6 л, 2014 года...
Фронт — Lada Приора седан, 1,6 л, 2011 года | а...
приора на закате😍
Зима. Мороз. Коробас. — Lada Приора седан, 1,6 ...
Удалить иммо в электропакете Лада Приора при по...
Ещё чуть-чуть питания… — Lada Приора седан, 1,6...
Электропакет - Безопасные-Лодки.РФ
ПЕЧКА ПРИОРА! Всё про печку в приоре - YouTube
Электроаппарат – комплексные решения в энергети...
посылка блин — Lada Приора универсал, 1,6 л, 20...
Дед Ravenol существует! — Lada Приора седан, 1,...
И точка. | Пикабу
Проклейка вещевого ящика и подлокотника карпето...
Ремонт блока управления электропакетом — Lada П...
короб — Lada Приора хэтчбек, 1,6 л, 2010 года |...
Электропакет…решение проблемы — Lada Приора сед...
Скрипт для прописки радиоканала ключа в модуль ...
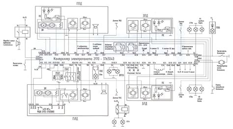
Контроллер электропакета ВАЗ 2170 Приора - 11 Я...
Собрал ящик другу под SA-15 — Lada Приора седан...
Восстанавливаем электропакет — Lada Приора седа...
Заряженная Приора😼🔥 - YouTube
Торусы — Lada Приора седан, 1,6 л, 2014 года | ...
Пропало все электричество приора - 95 фото
Как снять блок электропакета Приора с охраны 21...
ПРОЩАЙ ПРИОРА / ПРИОРА ПРОДАНА / ИЩУ НОВОЕ АВТО...
Проверка электропакета приора - YouTube
1. stiker bomb — Lada Приора хэтчбек, 1,6 л, 20...