Шкода фабия 1 главный тормозной цилиндр | Festi...
Предохранители и реле шкода фабия 1 поколения с...
Немного побед, немного поражений — Toyota Corol...
Механизм стеклоподъемника шкода фабия 2003 - 93...
Заменил рабочий цилиндр сцепления. — Skoda Octa...
Category:Škoda Fabia - Wikimedia Commons
Сцепление — описание конструкции (Шкода Октавия...
главный цилиндр сцепления — Honda Accord (5G), ...
Шкода Фабия 2009г 1.2 механика. Кондер, подогре...
Как заменить цепь ГРМ Skoda Fabia 1.2 HTP. #Але...
Замена сцепления Шкода Фабия 1.2 - YouTube
Сцепление — описание конструкции «Шкода Октавия...
ЗАМЕНА СЦЕПЛЕНИЯ SKODA FABIA & ШКОДА ФАБИЯ СИМФ...
Skoda Fabia Шкода Фабия 1 километраж 1.2 табло ...
Главный цилиндр сцепления. - YouTube
#10 Собрал! Завел кое-как(( — Skoda Fabia Mk1, ...
Замена цепи ГРМ Шкода Фабия 1.4 ame своими руками
куліса передач шкода фабія двигун 1.4 бензин Вж...
Комплект сцепления для Шкода Фабия 1 1999-2007,...
Заміна цепочки ГРМ і помпи — Skoda Fabia Combi ...
Компрессия 1 цилиндр шкода Фабия 300 т пробег -...
Шкода фабия 1.9тди на части гр. Мадан • OLX.bg
Начало кузовных работ — Skoda Fabia Mk1, 1,4 л....
Как снять генератор на шкода фабия - 91 фото
Замена сцепления Шкода Фабия 1.2 часть 2 - YouTube
Стеклоподьемник/пружины/ТО — Skoda Fabia Combi ...
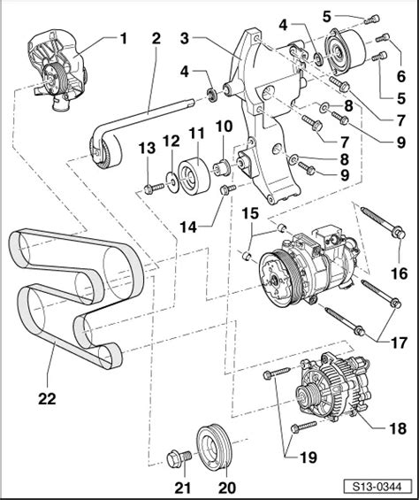
Шкода Фабия. Снятие и установка. Skoda Fabia
Подшипники дифференциала — Skoda Fabia Combi Mk...
Шкода Фабия. Стеклоподъемники с электроприводом...
Выяснил причину стука после перегрева! — Skoda ...
Чехлы Шкода Фабия 1 (авточехлы на сиденья Skoda...
Купить Рабочий цилиндр сцепления 1.9 D, 1.9 JTD...