155 серия - музей электронных раритетов
155 серия - Музей электронных раритетов
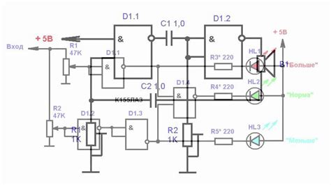
микросхемы к155 - К155ла1, К155ла2, К155ла3, К1...
⭐ Микросхема 155ИЕ7. Низкие цены. На складе в н...
Микросхема к155аг1 описание и схема включения -...
Микросхема К155 - К155лл1 (2шт) — купить в Крас...
микросхема к155ли5 - Разное - Форум по радиоэле...
Вопрос по 155-й серии - Страница 3 - Начинающим...
Микросхемы 155 серии (155 К155 и КМ155), КР1533...
Микросхема к155ие5 описание и схема включения
Тестирование К155Ла3 - Радиоэлементы - Форум по...
NiXIE: Часы на 155 логике
Микросхема к155ла8 описание и схема включения
Микросхемы К155ИЕ1 - Продам-Отдам, Услуги - Фор...
Распиновка микросхемы к155лаз