Организация процедуры Контроля работ и изоляции...
Изоляция энергии - презентация онлайн
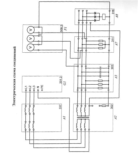
Универсальный прибор контроля изоляции
Разработка устройства автоматизированного контр...
5. Измерение сопротивления изоляции Схемы и сре...
Устройства контроля напряжения в Москве — купит...
Контроль сопротивления изоляции сети и электроп...
Инновационное устройство контроля изоляции сети...
Контрольно-измерительные приборы и автоматическ...
Устройства контроля - online presentation
Приборы : Устройства контроля пламени ионизацио...
Электрооборудование для промышленности — ИБП, У...
Устройства и системы контроля сопротивления изо...
Устройства контроля изоляции и мониторинга СОПТ...
Контроль состояния изоляции.
5. Контроль изоляции в электрической сети с изо...
Замеры сопротивления изоляции, методики измерений
КОНТРОЛЬ ИЗОЛЯЦИИ СУДОВЫХ ЭЛЕКТРИЧЕСКИХ СЕТЕЙ
Показания приборов контроля изоляции при однофа...
Реле контроля изоляции. Что это за реле?