Калейдоскоп схем кварцевых НЧ генераторов
Кварцевый генератор схема включения
Генератор приемник схема
Домашняя кварцевая лампа своими руками
Продам кварцевий генератор 500кгц
Ответы Mail: Зачем нужен кварцевый генератор?
"Счетчик Гейгера" на основе неоновой лампы | Эл...
Кварцевые генераторы | Основы электроакустики
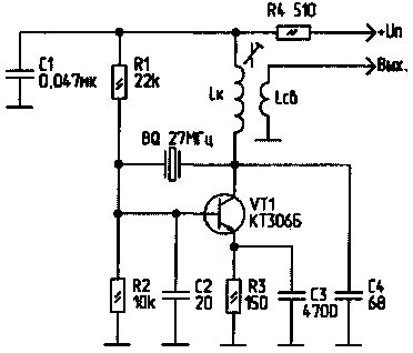
Схемы кварцевых генераторов на транзисторах
Кварцевая лампа KVARTSIKO КВАРЦ-125 – купить он...
Генератор на постоянных магнитах своими руками....
Кварцевая лампа ОУФд-01 Солнышко
Кварцовий генератор на 50 Гц - YouTube
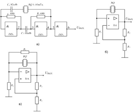
Кварцевые генераторы на микросхемах
Сварочные генераторы | БЛОГ ЭЛЕКТРОМЕХАНИКА
Термостатированный кварцевый генератор с низким...
8 сфер применения кварца, о которых нужно знать...
92.Кварцевый генератор с АМ : e-kit – Электронн...
Кварцевый генератор • HamRadio
Тактовые генераторы с кварцеванной частотой ста...
Генератор На Кварцевом Резонаторе С Легкой Смен...
Кварцевый генератор на логическом инверторе 74H...
Ламповый генератор презентация, доклад
Схема кварцевого генератора на микросхеме
СТАБИЛЬНЫЙ КВАРЦЕВЫЙ ГЕНЕРАТОР
Еще немного о кварцевых генераторах - YouTube
Кварцевый генератор » Вот схема! - Электронные ...
Схема1 Тестируем популярные схемы пробников ква...
Ремонт сварочных генераторов - услуги сервисных...