Тнвд 245 – Регулировка ТНВД Д-245 своими руками...
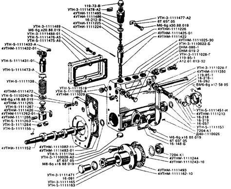
Тнвд моторпал д 245 устройство схема - Фото под...
Двигатель д-245 ммз
Дизельный Двигатель Ммз Д 245 Руководство По Эк...
Тнвд д 245 устройство – Регулировка тнвд д 245 ...
245-1306021-Б-01 Корпус Д-245.30Е2,Д-245S термо...
Сборка ТНВД Д-245
Купить ТНВД Д245 Моторпал оригинал (Чехия) в ин...
245 тнвд – Регулировка тнвд д 245 — Ремонт свои...
Регулировка ТНВД Д-245 своими руками
ММЗ Д-245, дизельный двигатель, Минский моторны...
Установка ТНВД дизеля Д-245
Топливный насос ТНВД ТНВД Д-245: 44 990 тг. - З...
Установка тнвд на двигатель д 245
Купити Топлевна апаратура ТНВД МТЗ Д-245 (з вту...
Купить ТНВД Е3, Е4, Д-245, ммз245, Паз, МАЗ, ГА...
Устройство тнвд моторпал д 245: ТНВД дизельного...
malykh.com notes: МеМЗ-245
Двигатель ММЗ Д-245, описание и характеристики
Фланец привода ТНВД Д 245 (со шпильками) (пр-во...
Северо-Западный Фронт. Демянский котел: 245 СТР...
Купить ТНВД МАЗ дв. ММЗ Д-245 ЕВРО-3 в интернет...
ТНВД ММЗ Д-245.С Три шпильки, Центральная смазк...
Тнвд топливный насос Д 245 ммз купить в Нижнем ...
Двигатель ММЗ Д-245С-1953Э (ТВЭКС ЕК-18 ) – Офи...
ТНВД Д-245 ЕВРО-3,4 0445025604 - DFS Tami Group...
Клапан перепускной ТНВД ММЗ-245 37-1111140 купи...