Мощность и скорость лодочного электромотора | Э...
Электрика в лодке. Подготовка. Эпизод 1. - YouTube
Установка электромотора на лодку: одна нога хор...
Изготовление самодельного электромотора для лодки.
Электрика на моторке - Моторные лодки и катера ...
Электрические лодки ECOBOAT | Судостроительная ...
Электрический катер
Электродвигатель на яхте - Парусные яхты - Кают...
Водный транспорт на электротяге: как новые техн...
Электромотор для лодки начал использовать энерг...
Лодочка электрическа для рыбалки
Преимущества электромотора для лодки
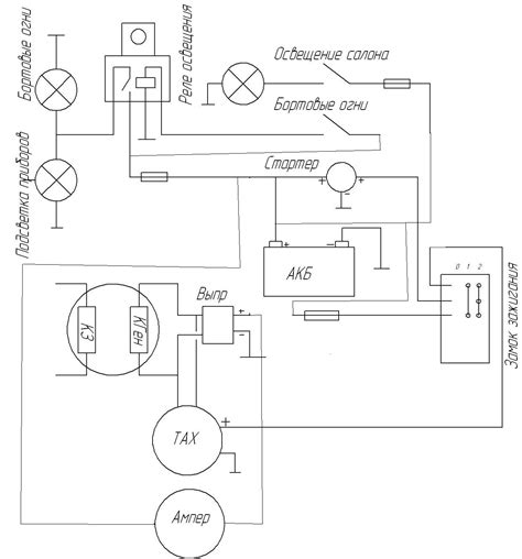
Электрооборудование катеров и яхт, электродвига...
Купить Лодка на электро-, радиоуправлении Лодка...
Электромотор для лодки - выбор и опыт 3-х летне...
Моторы лодочные
👍Как выбрать лучший электромотор для лодки
Новость: Теперь и с электродвигателем!
Электрооборудование для катеров и лодок | Купит...
Электрические катера и яхты | ЭлектроФорс
Обзор лучших электромоторов для лодок ПВХ на 20...
Электрические лодочные моторы Watersnake
🛥Лодка-электричка #лайфхаки #интересно #дача #р...
Электричество в лодке.Какая электрика нужна в л...
Электрика в лодке, электропроводка катера, элек...
Аккумуляторы для яхт и катеров, электромоторов ...
Две электролодки фирмы «Стим энд Электрик Ланч»...
Łodzie elektryczne na sprzedaż • Marinebay.pl
Самая мощная в мире электрическая лодка установ...
Электромотор для лодки - в каких случаях стоит ...
Купить Лодка на электро-, радиоуправлении Пульт...
Огни навигационные для лодок и катеров