Мультиплексоры и демультиплексоры - презентация...
Мультиплексор
К174КП1 — двухканальный аналоговый мультиплексо...
Мультиплексор - YouTube
Мультиплексоры. Лекция №11 - презентация онлайн
Расширения | AmperMarket.kz
Мультиплексоры и демультиплексоры - online pres...
Мультипликаторы и редукторы
Дослідження типових мультиплексорів і демультип...
Мультиплексор - презентация онлайн
Мультиплексоры - НАНОЭЛЕКТРОНИКА И СХЕМОТЕХНИКА
Мультиплексоры/ демультиплексоры. Мультиплексор...
Мультиплексор и демультиплексор - презентация о...
Мультиплексоры и демультиплексоры - YouTube
Мультиплексоры. Назначение и принцип работы - п...
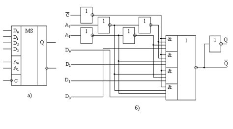
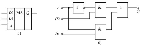
ЛР3_данные_удалены
Модуль Аналоговый 16-канальный мультиплексор CD...
Мультиплексоры, Демультиплексоры - Прикладная э...
16 канальный аналоговый мультиплексор
16 канальный аналоговый мультиплексор - YouTube
Видеоурок на тему: "Мультиплексор и демультипле...
16-канальный аналоговый цифровой мультиплексор ...