Egs002 Module Datasheet - Specifications, Pinou...
Egs002
لیون الکترونیک | EGS002
Many circuits: EGS002 SINE WAVE INVERTER CIRCUI...
egs002 Resources - EasyEDA
EGS002-pro-v1/EGS002 pro mini V2.pdf at main · ...
EGMicro EGS002 board review - SKYNEXT Tech.
EGS002 Display – Digitalelectronics.lk
egs002 inverter Egs002 spwm
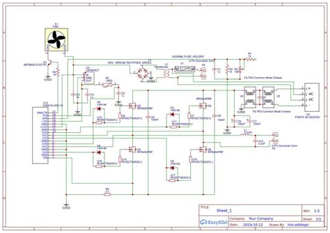
EGS002 Module Resources - EasyEDA
egs002 - EasyEDA
EGS002 datasheet(5/6 Pages) EGMICRO | Sinusoid ...
egs002 copy - Platform for creating and sharing...
EGS002 Datasheet, Circuit Diagram Explained | C...
EGS002 datasheet(4/6 Pages) EGMICRO | Sinusoid ...
Доработка EGS002 - YouTube
EGS002用户手册v1_0 ENx EGS002 Manual En
Egs002 Inverter Project 1000w