Топливный Насос Т 25 - bangkokholywrit
Двигатель Т 25 технические характеристики - Ats...
Трактор Т25 - описание, технические характерист...
Топливная система т 25 схема трубок топлива: Де...
Руководство по ремонту тракторов Т-25А Издатель...
Т-25
Владимировец Т 25 - ID141411 - Tractor.bg
Двигатель Т-25: устройство, характеристики, мод...
Трубка паливна Т-25 (від фільтра грубої очистки...
Т25 с передком: Трактор т 25 тонированный - 32 ...
Купити Гідроциліндр Т-25 ЦС-75 н/о запчастини г...
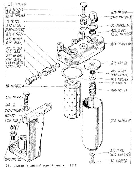
Фильтр топливный тонкой очистки
Vladimirec T25 VTZ T-25 predfilter grubi filter...
ᐉ Фильтр топливный грубой очистки | Т-16/Т-25 —...
Купити Колонка Т-25 кермова під дозатор запчаст...
Фильтры грубой или тонкой очистки топлива тракт...
Отзывы владельцев т 25: Трактор Т-25. Обзор, те...
Трактор Т 25 заправочные объемы и масло - Ats-S...
Продажа Трактор ХТЗ Т-25 Владимирец 1990 года Л...
топливный насос Т-25 | Fermer.Ru - Фермер.Ру - ...
Zdjęcie ciagnik T-25 #481669 - Galeria rolnicza...
Купити Ремкомплект відцентрового масляного філь...
Продам трактор Владимирец Т-25, купити трактор ...
Купити Гідробак Т-25 під дозатор запчастини гід...
Запасные части для трактора Т-25А
Т-25 - T-25 / T-30 / T-40 - Agrofoto.pl Forum R...
Система питания трактора т 25 - СПЕЦТЕХНИКА
Бак топливный Т-25, Д-21 А25.50.011Г - Купить в...
Трактор Т 25 - отличный выбор для частного ферм...
Фильтр топливный грубой очистки Т-25А (Чертеж №...
Фильтр топливный тонкой очистки Т-25А
Filter goriva niski T25, T40, LTZ, VTZ, Belarus...
Фильтр топливный отстойник мтз, Т-40, Т-25, юмз...