Стабилизатор напряжения Forte TVR-5000VA цена к...
Стабилизатор напряжения Эра СНК-1000-Ц, мощност...
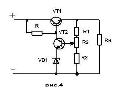
Стабилизатор напряжения на транзисторе
Виды стабилизаторов напряжения - выбор, устройс...
Стабилизатор напряжения 1,5-3 вольта — Gnativ.ru
Схемы и онлайн расчёт элементов регулируемых ст...
Схемы стабилизаторов тока для светодиодов на тр...
Ипс 1 схема источник питания стабилизированный ...
Как работает схема стабилизатора напряжения: пр...
Стабилизатор напряжения - Описание работы, схем...
Стабилизатор напряжения FORTE TDR-10000VA цена ...
Как работает стабилизатор напряжения - 220 вольт
Lm317 стабилизатор тока и напряжения одновремен...
Параметрический стабилизатор напряжения на поле...
Стабилизатор напряжения своими руками: виды и л...
Принцип работы и типы стабилизаторов напряжения...
Стабилизатор напряжения Вольт Engineering Ампер...
Принцип работы и конструкция стабилизатора напр...
Стабилизатор напряжения для аккумулятора
Стабилизатор напряжения "Стаб 12" для авто и до...
Стабилизатор напряжения Энергия Voltron 3000 ку...
стабилизатор напряжения
Стабилизатор на 4 вольта схема - Схемы
Однофазный стабилизатор напряжения Volter СНПТО...
Стабилизатор напряжения FORTE ACDR-10KVA NEW це...
Стабилизатор напряжения Forte TVR-10000VA цена ...
Стабилизатор напряжения FORTE ACDR-5kVA цена ку...
Стабилизатор напряжения с защитой • HamRadio
Стабилизаторы напряжения
Стабилизатор напряжения VOLT POLSKA AVR5000 Ста...
Самостоятельно изготовить стабилизатор напряжен...
Купить Автоматический стабилизатор напряжения 5...