Купить Шаговый двигатель Шагового двигателя,кон...
Контролер-генератор импульсов для драйвера двиг...
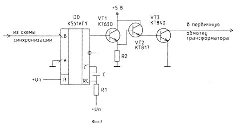
Изображение
Генератор для велосипеда из шагового двигателя ...
ЖК-Цифровой PWM генератор сигналов импульсный Ч...
Генератор импульсов ШД 8-24В (автономный контро...
Генераторы игольчатых импульсов и их применение
Генератор импульсов шагового двигателя CNCPROM ...
Схемы простых генераторов импульсов: фото и таб...
Шаг 7. Как подключить генератор импульсов к шаг...
Генератор импульсов схема
Очень простой генератор ТОКА и НАПРЯЖЕНИЯ из ША...
Генератор коротких импульсов с большой скважностью
Применение шагового двигателя
ПРОСТОЙ ГЕНЕРАТОР ИМПУЛЬСОВ "БЕЗ" ОБРАТНОЙ СВЯЗ...
Микросхема Для Генератора Импульсов - Песочница...
Генератор импульсов с независимой регулировкой ...
Генератор высоковольтных импульсов - Питание - ...
Купить ПЛК Шаговый двигатель контроллер SPC-1 в...
Универсальный генератор импульсов для шагового ...
Купить Микро-двигатель для цифровой техники Дра...
Генераторы импульсов (мультивибраторы, автогене...
Генератор импульсов ШИМ MKS OSC V1.0 шагового д...
Генератор импульсов, частоту которого регулирую...
Генератор импульсов для шагового двигателя DKC ...
Генератор импульсов на логических элементах | В...
Импульсные генераторы - МЕТОДЫ И СРЕДСТВА ИЗМЕР...
Генератор импульсов с регулировкой для спидомет...