Схема комбинации приборов, центрального замка и...
Схема замка двери газель некст
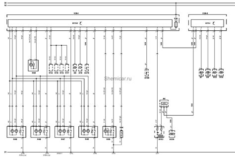
Схема замка газель некст
Подключение центрального замка газель некст - 8...
Распиновка блока центрального замка газель некс...
Схема центрального замка некст
Штатный центральный замок. Некст. — ГАЗ Газель ...
Схема подключения центрального замка газель некст
Где Находится Блок Центрального Замка Газель Некст
Центральный замок газель некст схема подключени...
Блок центрального замка газель некст распиновка
Центральный замок с ключа — ГАЗ Газель Next, 2,...
Блок управления замков дверей Газель Некст NEXT...
подключение центрального замка газель некст 13 ...
Комплект Центрального замка Грузовой 12-24 воль...