Устройство военных мостов уаз: Военные мосты УА...
УАЗ военный мост в Москве
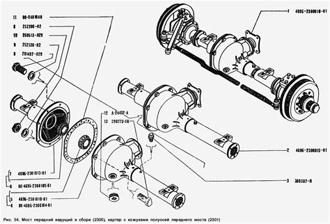
Военный задний мост уаз схема: Редукторный мост...
Усиленные полуоси на УАЗ мост Спайсер широкий (...
Комплект для установки дискового тормоза для УА...
Передний военный мост. Установка. — УАЗ 469, 2,...
Какие мосты можно поставить на уаз. уаз патриот...
Военный мост уаз схема - фото
Военный мост уаз (75 фото) - красивые картинки ...
Военный мост уаз схема 58 фото - wForm.ru
Купить Картер переднего моста УАЗ-452 в сборе с...
Уаз передний мост военный устройство: Устройств...
Купить Крышка картера переднего моста на гибрид...
Купить Опора шаровая УАЗ в сборе на редукторный...
КРЫШКА ЗАДНЕГО МОСТА УАЗ (без кожуха полуоси ре...
военные мосты на уаз фото
Мосты УАЗ
УАЗ. Отличия военных мостов от гражданских. — T...
220600230101300 КРЫШКА КАРТЕРА ПЕРЕДНЕГО МОСТА ...
Мост передний редукторный (военный) УАЗ 469/452...
ФЛАНЕЦ полуоси УАЗ мост Спайсер арт. 3162-23041...
Передний военный мост уаз устройство: Устройств...
Передний мост уаз | Передний мост уаз буханка
Мост передний редукторный (военный) УАЗ — купит...
Передний мост УАЗ "Патриот": как заменить сальн...
Военные редукторные мосты для уаз купить во Вла...
Купить Комплект усиленных полуосей задний военн...
Усиленные полуоси заднего моста УАЗ с комплекто...
Редукторный мост уаз схема. военные мосты уаз. ...
Чем отличаются «колхозные» мосты от «военных»