АВР. Обзор типовых схем и ассортимента - YouTube
Устройства АВР 0,4 кВ на контакторных станциях ...
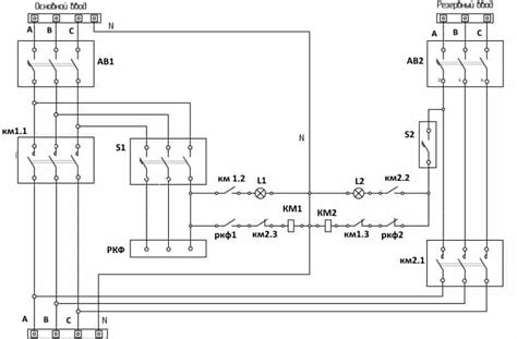
Рациональная схема АВР 0,4 кВ
АВР - Защита и автоматика электрических сетей а...
Низковольтное комплектное устройство 0.4 кВ с АВР
Устройство АВР питающих элементов | РЗиА СН теп...
АВР назначение, технические характеристики, про...
Система авр
Схема АВР трансформаторов собственных нужд 6/0,...
Принцип работы АВР 0 4 кв
Что такое АВР в электрике: устройство, варианты...
Авр для частного дома схема подключения
АВР-0,4 кВ
АВР: что это такое, расшифровка, устройство, ва...
Авр это расшифровка
Схема блока авр
Из чего комплектуются АВР, рекомендации, советы...
Что такое автоматический ввод резерва и как раб...
Схемы АВР на два ввода и характеристика, особен...
Что такое авр в электрике? расшифровка и принци...
Принцип работы АВР 10 кв
АВР-0,4-КС. Описание, характеристики, форма зак...
АВР 0,4 кВ, купить у производителя в Москве
Принцип работы авр
Комплектные трансформаторные подстанции 6(10)/0...