Установка центрального замка лада гранта станда...
Блок управления центральным замком на Лада Гран...
Замена, ремонт и установка центрального замка н...
Схема центрального замка лада гранта 60 фото - ...
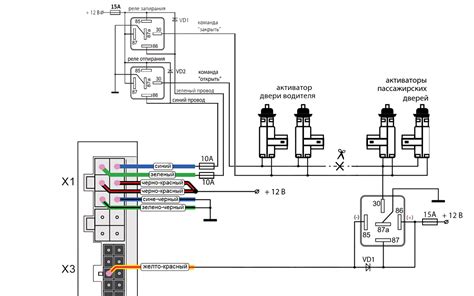
Распиновка центрального замка гранта - Лада Гра...
Установка центрального замка Лада Гранта ФЛ с 2...
Лада гранта fl, подключение центрального замка....
Диагностика И Ремонт Центрального Замка Лада Гр...
Установка центрального замка Лада гранта - YouTube
Лада гранта стандарт установка центрального зам...
Схема центрального замка лада гранта лифтбек
Блок управления центрального замка ВАЗ-2190 (10...
Дистанционный Блок Центрального Замка Для Авто ...
Лада гранта FL подключение центрального замка к...
Как устроен замок двери лада гранта