Тройник для труб ПНД 40 мм купить в Москве низк...
Купить тройник равнопроходный Ду 32 (42.4x2.6)....
Оптовая компания сантехники в Москве
Тройник переходной с внутренней резьбой 32х1/2х...
Тройник ПНД 40-40-40 Boutte 1649298 - выгодная ...
ПНД Тройник переходной 32*20*32 купить за 81.53...
Тройник ВР 32х1-1/4"х32 для гофрированной трубы...
Тройник ПП 32-20-32 Ру10/25 белый - купить в Ка...
Тройник электросварной.Тройник ПНД электросварной.
Тройник ПНД неравнопроходной - купить в интерне...
ПНД тройник разъёмный.32х32х32 (SPEKTR) СИНИЙ, ...
Тройник ПНД ТПК-Аква компрессионный 32х32 мм — ...
Тройник Пнд 32 25 32 купить на OZON по низкой цене
Тройник пнд с внутр.р. ф50х2"х50 poel (турция) ...
Тройник ПВХ 32 мм - купить для бассейна | ООО «...
Фитинги ПНД | тройник ПНД с резьбой - YouTube
Тройник ПНД 32х1/2х32 ВН купить на OZON по низк...
Тройник ПНД компрессионный D 32х1/2"х32 внутрен...
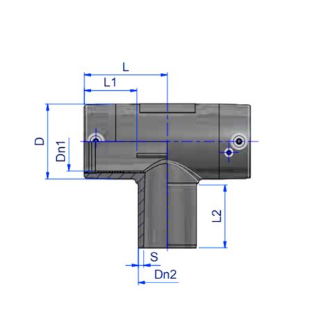
Тройник Н 40x1" для труб ПНД UNIDELTA
Тройник ПНД переходной 40-32-40 Boutte 1649335 ...
Купить ПЭ Тройник 32 (обж.) "ТПК - АКВА" в Челя...
хрт3220 - 32х20 Тройник хар
Тройник 32x32x32мм равнопроходной (ник.) PROFIT...
Тройник ПНД. Купить тройник пластиковый ПНД по ...
ПНД тройник разъёмный 20х25х20 (SPEKTR), 899565...
Тройник электросварной ПНД. Тройник ПНД электро...
Тройник комбинированный ВР 32*1/2" PPR - Купить...
Тройник для ПНД-труб от производителя UNIPUMP –...
Тройник ПНД электросварной с З Н размеры 1
Тройник полиэтиленовый обжимной, ТройникПЭсн.р....
Тройники ПНД | Цена Тирасполь ПМР | Venturi.md
Тройник ПНД 32х1" НР купить в Москве по цене 10...