Регулятор мощности, найти подобный или схему. -...
Регулятор мощности
Простой регулятор мощности с функцией увеличени...
Регулятор напряжения-мощности. Новая схема. - Y...
Регулятор Мощности Своими Руками - YouTube
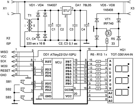
РадиоКот :: Регулятор мощности паяльника с цифр...
Регулятор мощности ТЭНа
Цифровой регулятор мощности Fotek LCR-80 купить...
Симисторный регулятор мощности до трёх киловатт...
Регулятор мощности для тэна до 5кВт
Симисторный регулятор мощности - YouTube
Цифровой регулятор мощности - РМВ-К (высокоточный)
Регулятор мощности паяльника с цифровым вольтме...
Регулятор мощности паяльника - YouTube
Простой регулятор мощности на тиристорах-ТЕРИСТ...
Регулятор мощности до трёх киловатт | Схемотехн...
Симисторный регулятор мощности. - YouTube
Автоматизация и Регуляторы мощности - Регулятор...
Схема цифрового регулятора мощности » Вот схема...
Регулятор мощности на КУ202Н - Регуляторы мощно...
Регулятор мощности на двух тиристорах - YouTube
Симисторный регулятор мощности с широким диапаз...
Симисторный регулятор мощности (своими руками) ...
Регулятор мощности цифровой для электро ТЭНов н...
Как сделать простой регулятор мощности
DC-DC ШИМ регулятор напряжения, оборотов двигат...
Симисторный регулятор мощности своими руками - ...