Станок для притирки седла клапана инжекторов Ca...
Станок шлифовальный для клапанов: Станки для шл...
Станок для притирки седла клапана инжекторов Co...
Станки для шлифования и притирки клапанов и зад...
Станок притирочно-доводочный ПОБЕДИТ-СПД-400 | ...
Станок для притирки клапанов камаз - 93 фото
Устройство и работа станка для шлифования клапа...
Станок для притирки клапанов Lapmaster LBVS 250
Станок переносной для ремонта клапанов без удал...
Станок для притирки клапанов ОМ-6687М-ГОСНИТИ к...
Станок для групповой притирки клапанов ДВС
Купить MP-250 Станок для притирки седла клапана...
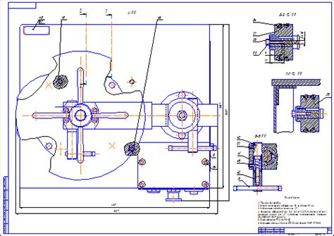
Станок Для Притирки Клапанов Чертеж - orderkindl
станок для притирки клапанов . - YouTube
Станок для притирки конических уплотнительных п...
Стенд для притирки клапанов, головок, цилиндров...
ПКТБА-СП-600 - Станок для притирки (доводки)
Станок для притирки клапанов форсунок Bosch - к...