Часть 13. Радиатор от ваз 2110 и шнива вентилят...
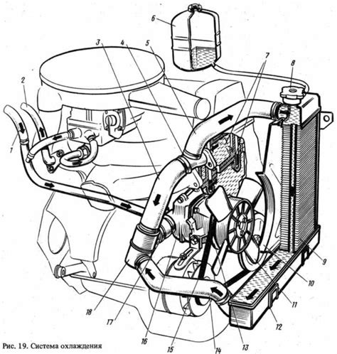
Устройство и работа системы охлаждения. Система...
Кожух вентилятора охлаждения двигателя (диффузо...
Купить Ваз 2101-02-03-06 радіатор 500.0 грн Вин...
Вентилятор печки ваз 2101-07 промышленный кулер...
Фото система охлаждения ваз 2101 (35 фото) - фо...
Вентилятор охлаждения двигателя ВАЗ-2101. Купит...
Вентилятор - Агротехнолоджи
Электровентилятор ваз 2101 - YouTube
Радиатор охлаждения ВАЗ 2101-02, медный основно...
Вентилятор опалювача ВАЗ 2101-2107,2121-2114 на...
вентилятор системы охлаждения ваз 2101 - 2107 ,...
Купить Радиатор охлаждения ВАЗ 2101-02 (2-х ряд...
Описание конструкции. ВАЗ 2101
Мотор вентилятора отопителя печки на ВАЗ 2101-2...
Радиатор охлаждения 2101 - купить радиатор охла...
Насос охлаждающей жидкости. ВАЗ 2101, 2102 (Жиг...
Мотор радиатора (электровентилятор) ВАЗ 2101-10...
Вентилятор охлаждения - Деревообрабатывающие ст...
Вентилятор охлаждения двигателя Luzar ВАЗ 2101-...
Устройство и работа системы охлаждения ВАЗ-2101...
Описание и ремонт системы охлаждения двигателя ...
Вентилятор ВАЗ-2101 УНИП СЕРВИС - 2101-1308008 ...
Радиатор охлаждения ВАЗ 2101, 2103, 2105, 2107 ...
Радиатор ВАЗ-2101
Как ДЕШЕВО промыть систему охлаждения (на приме...
Впускной коллектор ваз 2101 и 2103. Отличие и п...
Вентилятор охлаждения ВАЗ 2106-2107, 2114-2115 ...
Купить Конденсатор ВАЗ 2101-07 системы зажигани...
Вентилятор охлаждения радиатора 2101 (крыльчатк...
Радиатор отопителя ВАЗ-2101 алюминиевый LUZAR -...
Купить Вентилятор Отопителя! Ваз 2101-072121 Lu...
Запись №84: Замена вентилятора — Lada 2101, 1,6...
Купити Радіатори ВАЗ-2101 Класика в Україні | а...