ESP32 WEMOS D1 R32 and Water Leak Sensor | EzloPi
Wemos MINI D1 ESP32 Module WIFI Bluetooth wirel...
ESP32 For Wemos D1 Mini WIFI Bluetooth Developm...
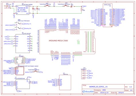
WEMOS_D2_ESP32_V1 - Platform for creating and s...
Looks like a clone of Wemos : r/esp32
MINI Wemos D1 ESP32 ESP-32 WIFI Development Blu...
Free 3D file Wemos ESP32 Case・3D print model t...
Wemos WiFi Esp32 | Điện tử ProE
Schematic Symbol for WeMos ESP32: Development b...
Wemos D1 Mini ESP32 ESP-32 WiFi+Bluetooth Inter...
Wemos ESP32 WIFI Bluetooth UNO D1 R32 4MB Flash...
LED Control using ESP32 WEMOS D1 R32 | EzloPi T...
Wemos D1 Mini ESP32 Development Board Configura...
ESP32 WEMOS D1 R32 and Mini PIR Sensor Tutorial
Wemos D1 Mini ESP32 – WomoLIN
Wemos lite esp32 vs. ESP-32S ESP-WROOM-32 : r/e...
ESP32 WEMOS D1 R32 & DHT11 Temperature Humidity...
Hands-On With the Wemos S2 Mini ESP32 Developme...
WeMos ESP32 S2 Mini - Buy Royalty Free 3D model...
ESP32 WeMos LOLIN32 Lite high resolution pinout...
Wemos® D1 R32 W/ ESP32 UNO R3 Pinout, 45% OFF
WEMOS-ESP32 ESP-WROOM-32 Wi-Fi + Bluetooth BLE ...
WEMOS D1 mini ESP32 – IoT Guru Blog
Wemos D1 Mini Esp32 Pinout | Porn Sex Picture
"WeMos" ESP32 Notes | Alexander Swensen | Alexa...
Buy WEMOS ESP32 Development Board - With Batter...
Wemos ESP32-C3 mini
Wemos D1 Mini Esp32 Esp 32 Wi Fi Bluetooth Inte...
ESP32 Wemos D1 Mini – Sprinkler Controller Open...
Enter the Wemos D1 mini ESP32 — robmiles.com