Пин на доске микросхема
ADK-3582A Reference Design | RS-232 Interface |...
DIP Power Chip TC3582DA MT/HT3582DA Universal C...
DELL Inspiron 3582 - 3582-3382 laptop specifica...
Микросхема 5252f схема подключения - 96 фото
Микросхема d2822 схема включения - 90 фото
приемник радиочастота микросхема транзисторРис....
3582~3582i~582i~3583 Instruction Manual Feb 201...
پوزیشنر فیشر مدل 3582 - محصولات قطعات و لوازم ا...
LED драйвер с регулировкой на микросхеме RT8562...
Микросхема 4558d схема подключения
HT3582D PDF - Charger Control Chip, DIP 8 ( Dat...
Микросхема ка3525а схема включения - 83 фото
37*3582D – PlataForma
20pcs TC3582B MT3582DA HT3582DA HT3582D DIP-8 V...
Простой электретный микрофон для компа - Песочн...
Переделка Бп На Шим 3528 - entertainmentaccuse
Микросхема sd6835 схема включения - 98 фото
Принципиальные схемы на сайте Микромир Электрон...
Технические характеристики светодиода SMD 3528
РадиоКот :: Счётчик SMD компонентов
Микросхема 3825 описание схема включения - 88 фото
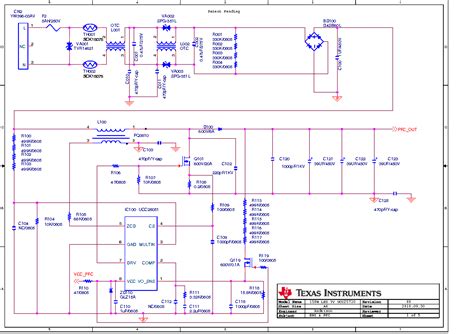
Модель №3582
Микросхема CD6283 - усилитель ЗЧ на 5 Ватт, спр...
Diody LED SMD 3528 - Sklep elektroniczny - FIRM...
Микросхема 5252F - Световые эффекты и LED - Фор...
SMD 3528: характеристика светодиода, технически...
SMD Led 3528 PLCC2 blau ~468nm 2,8-3,6V 20mA
3528 Smd Led 3528 Datasheet - Buy 3528 Smd Led,...