BBK DK1004 Service Manual download, schematics,...
Пульт для домашнего кинотеатра BBK DK1005S - Pu...
Bbk dk1005s схема
Bbk dk1005s схема платы - 97 фото
Пульт BBK RC-58 (аккустика), цена 220 грн — Pro...
Пульты ББК
Пульт ДУ BBK LEM1949SD - купить по выгодной цен...
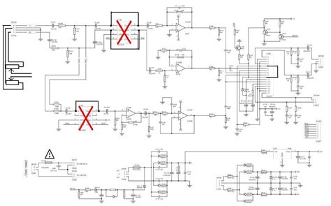
BBK DK1050 Service Manual download, schematics,...
Пульт ДУ BBK DK1004Sс - купить по выгодной цене...
Пульт BBK DK1005S
BBK - Пульты ДУ! Интернет-магазин ПДУ! Все пуль...
BBK DK1005S Service Manual download, schematics...
Пульт BBK LT1504 (LCD) для телевизора | Пульты ...
BBK DK1001S Service Manual download, schematics...
Пульт BBK DK1005S | Воронежпульт
Пульт BBK DK1004S оригинальный | Онлайн-гиперма...
Пульт BBK DK1005S оригинальный | Онлайн-гиперма...
Инструкция Bbk Dk1004s - vipiphone