Hdmi to vga схема
Ремонт переходника hdmi to vga
Адаптер - переходник VGA-HDMI
Конвертер HDMI в VGA переходник адаптер: 100 гр...
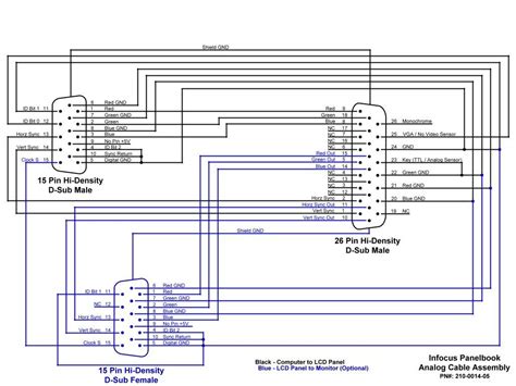
Схема переходника vga hdmi - Схемы
Переходник hdmi vga своими руками схема - Схемы
Конвертер hdmi-vga, переходник HDMI 19 pin на V...
Схема переходника hdmi vga
Переходник HDMI VGA: Особенности и примеры техн...
HDMI на VGA переходник для тв-приставки - Сдела...
Переходник hdmi vga схема распиновка
Переходник с VGA на HDMI со Звуком MiNi VGA2HDM...
Переходник HDMI - VGA
Кабель HDMI, VGA (D-Sub) Zic-Zic Переходник HDM...
Как сделать переходник с hdmi на vga своими рук...
Купить Переходник HDMI VGA для передачи видео и...
HDMI to VGA, переходник адаптер HDMI в VGA конв...
Где купить HDMI VGA адаптер (переходник) | remo...
Не работает переходник HDMI-VGA: 2 решения проб...
Переходник HDMI - VGA: отзывы, цена, купить пер...
Hdmi to vga connector - Wasseed
Переходник vga на hdmi своими руками схема как ...