реле-регулятор — УАЗ Patriot, 2,7 л, 2008 года ...
Уаз патриот замена генератора своими руками
ᐅ схема предохранителей и реле уаз патриот, пик...
Предохранители уаз патриот и реле с описанием и...
Купить Реле регулятор напряжения генератора УАЗ...
Устройство и схема подключения генератора УАЗ П...
Реле и предохранители УАЗ Патриот
Реле регулятор напряжения генератора уаз патрио...
Генератор уаз 31512 реле схема
Где находится реле генератора уаз патриот
Распиновка генератора уаз патриот
Реле регулятор напряжения, великий внезапный пе...
уаз патриот предохранители и реле расположение
Где находится реле стартера Уаз Патриот: фото
Реле заряда УАЗ Патриот — УАЗ Patriot, 2,7 л., ...
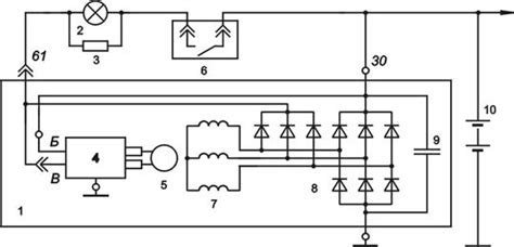
Схема подключения генератора уаз патриот
Предохранитель генератора уаз патриот 2015
Схема подключения генератора уаз патриот 409 дв...
Уаз патриот схема предохранителей и реле 58 фот...
Про генератор УАЗ Патриот
Ремонт генератора УАЗ Патриот - снятие и устано...
Реле генератора уаз патриот где находится
Купить Регулятор напряжения генератора УАЗ 3163...