Пускатель реверсивный: отличия от обычного, схе...
Картинка ДВИГАТЕЛЬ ЧЕРЕЗ РЕЛЕ ВРЕМЕНИ
Пускатель ПМА-5502 Uк 220В 100А (ID#1776425278)...
Реверсивный пускатель с механической блокировко...
Пускатель с механической блокировкой – Реверсив...
Пускатели электромагнитные серии ПМА 5-й величи...
Магнитные пускатели
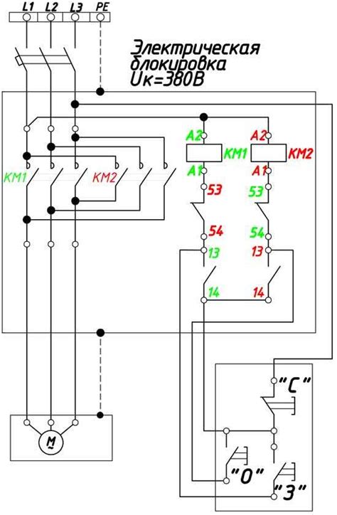
Р и с. 2. Схема управления трехфазным электродв...
Реверсивные пускатели с механической блокировкой
Реверсивный трехфазный пускатель – Схема реверс...
Схема подключения магнитного пускателя: 220 В, ...
Устройство и принципы работы магнитного пускате...
Схема магнитного пускателя реверсивная: Как под...
Схема реверса пускателя
Контакторы реверсивные, трехполюсные, с механич...
Пуск асинхронного двигателя схема реверса