Раздаточная коробка (раздатка) трактора МТЗ 82 ...
72-1802020 Коробка раздаточная полуавтомат МТЗ-...
Купить Фланец раздаточной коробки ПВМ МТЗ (пром...
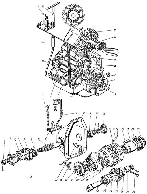
Разборка и ремонт раздаточной коробки трактора ...
8.1. МТЗ-80, МТЗ-82. Практическое пособие по те...
Схема коробки передач МТЗ-82 и её ремонт - Про ...
Раздаточная коробка мтз 82: устройство, режимы ...
Ремонт раздаточной коробки (раздатки) трактора ...
Купить Раздаточная коробка МТЗ-82 72-1802020: н...
Раздатка МТЗ 82 (раздаточная коробка переднего ...
Втулка раздаточной коробки малая МТЗ-82 52-1802...
Кинематическая схема раздаточной коробки мтз 82...
Шестерня МТЗ-82 в сборе раздаточной коробки ПВМ...
Валик раздаточной коробки (с рычагом) МТЗ-82, к...
Шестерня МТЗ-82 раздаточной коробки (Z-22) 52-1...
Втулка раздаточной коробки (промежуточной оси) ...
52-1802094 Ось промежуточной шестерни раздаточн...
Раздаточные коробки и ходоуменьшители - Механиз...
Шестерня раздаточной коробки МТЗ-82 (ЗАВОД) Z-1...
52-1802094 РН Ось промежуточной шестерни раздат...
Вал раздаточной коробки МТЗ-80/82 - арт. 72-180...
Фланец раздаточной коробки ПВМ МТЗ-82 - 52-1802...
52-1802078-А Фланец промежуточной опоры карданн...