Hoverboard segway alaplap 36V E253642 Y-D - ele...
RU 94v-0 Circuit Board E253642 Y-D 347060 W/ Wi...
Balancing Scooter Motherboard Control Board Rep...
Transformátor JBC E2532-1046 (E2532-0625) 230V/...
Ru 94v-0 circuit board – Aeliya Marine Tech
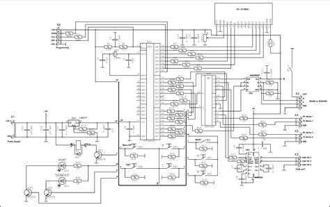
E253642 y d схема
Hoverboard-carte-m-re-pour-Scooter-lectrique-av...
RoHS Cem-1 Fr4 Ru PCB 94V-0 94vo Power Supply C...
OZEKI - How to use a gyroscope sensor in arduino
Hoverboard SKATE 6.5 repair - Electrolab
Hoverboard Sensorboard Gyroscope E253642 | Volt...
36v 250w L3618d Toy Scooter Electric Bicycle Sp...
Ru 94v 0 Circuit Board Pcb Panel Design Embedde...
94V-0 Circuit Board - The Ultimate Guide
D_66_03.jpg
برد ریموت کنترل ماساژور گردن با کابل مدل (E2536...
คอนแทร็คเตอร์ (แมกเนติก) มิทซูบิชิ MITSUBISHI แ...
How to Set Gyro Gain on Yokomo YD2 RD1.0 RTR - ...
Куплю гироскоп с таотао на smart balance