Искрогасящие цепи.
Гасящий резистор для катушки пускателя
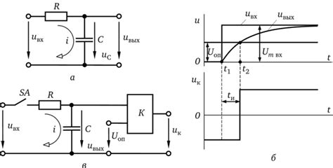
Интегрирующая RC-цепь
Схема Подключения Пускателя Через Кнопку - tokz...
RC-цепь. Дифференцирующие и интегрирующие RC-цепи.
RC-цепь: принцип работы, переходные процессы, р...
Как работает RC-цепь – RxTx.su
RC цепь - Практическая электроника
Все о схемотехнике аналоговых устройств - расск...
Как подключить двигатель через пускатель с кноп...
RC-цепи, 5 самых распространенных и как просто ...
Интегрирующая RC-цепь - ОСНОВЫ ФУНКЦИОНИРОВАНИЯ...
Схема подключения через кнопку пуск стоп – АвтоТоп
Как подключить магнитный пускатель: схемы и осо...
Электротехника: RC-цепь.
Схема подключения катушки пускателя
Расчет RC цепи для защиты контактов | Электроте...
Расчет rc цепочки
Для чего в RC цепь добавляют Диод и где это При...
Помехоподавляющая RC-цепочка для контактора / п...
Что такое постоянная времени RC цепи | Электрон...
Последовательная RC-цепь
Rc цепь дифференцирующая: Rc-цепь — Википедия –...
RC-ЦЕПЬ для "ЧАЙНИКОВ".Как она работает НАГЛЯДН...