MAKITA PILARKA ŁAŃCUCHOWA ELEKTRYCZNA UC4030A -...
Makita UC4030A Spare Parts
پوسته بالشتک اره زنجیری ماکیتا UC4020A
ΗΛΕΚΤΡΙΚΟ ΑΛΥΣΟΠΡΙΟΝΟ UC4030A ΚΙΤ 1800W/40cmΛΑΜ...
Calaméo - Uc4030apic
PIŁA ELEKTRYCZNA MAKITA UC4030A - 12594641493 -...
Makita Prowadnica Gwiazdkowa 40cm Uc4030A 3/8''...
Bęben Sprzęgła Makita Uc3030A Uc3530A Uc4030A -...
Джинси C&A (#4030) - Інтернет-магазин Євростиль
Купить ЭЛЕКТРОПИЛА Makita UC4030 !Новая, Черкас...
ELMOTORSÅG Makita UC4030A
Makita Uc4030a: The Ultimate Guide – Full Speci...
Makita Electric Chainsaw UC4030A at Rs 18500 | ...
Makita Chainsaw UC4030A (2011) Help: Learn How ...
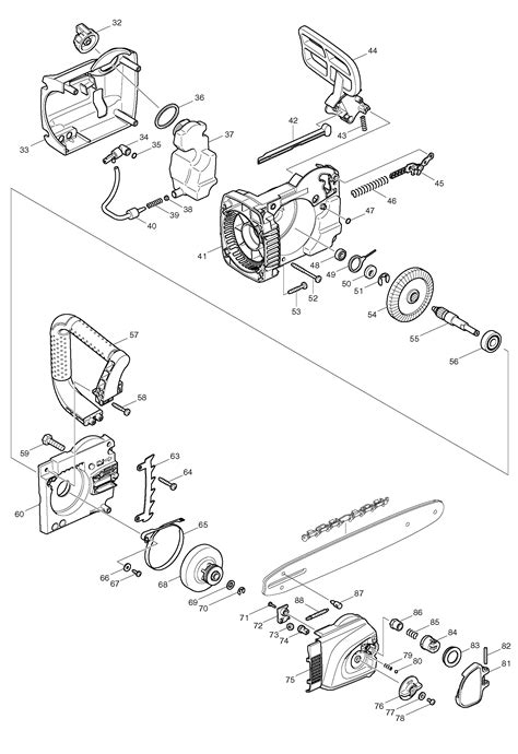
UC4030A - Narzędzia ogrodowe i spalinowe - Częś...
Купити Электропила цепная Makita UC 4030 A | Оф...
Злектрическая цепная пила Makita UC4030A
Запасные части для цепной пилы, якорь для Makit...
Makita Electric Chain Saw UC4030A - Dian Be Har...
Uc4010a - CALAMEO Downloader
Startseite des Shops Produkte Bewertung
PILARKA ELEKTRYCZNA MAKITA UC4030A - 8974070089...
UC3020A ถูกที่สุด พร้อมโปรโมชั่น เม.ย. 2023|Big...
Makita UC4030A Chain Saw - Consumer Reports
Makita Ketting voor UC4030A - Coolblue - Voor 2...
ООО "Ремонт инструмента" | Продукция
Vásárlás: Makita UC4030A Láncfűrész árak összeh...
PIŁA ŁAŃCUCHOWA ELEKTRYCZNA MAKITA UC4030A - 10...
Электропила makita uc4030a отзывы, производител...
Корпус двигателя в сборе UC4030A - Дом Инструмента
PIŁA ŁAŃCUCHOWA MAKITA UC4030A - 12296491657 - ...
Прокладка пыленепроницаемая MAKITA UC3530A/UC40...
Makita láncfűrészek