Пускорегулирующая аппаратура: назначение, класс...
Как правильно использовать пуско-зарядное устро...
Купить Пуско-Регулирующее Устройство Газоразряд...
ОТЛИЧИЯ ПУСКОРЕГУЛИРУЮЩЕЙ АППАРАТУРА ДЛЯ ЛЮМИНЕ...
Пуско-зарядное устройство Electrolite ПЗУ-800 1...
Устройство пуско-зарядное УПЗ 50/180 Elitech ку...
Монтаж и ремонт различной пускорегулирующей апп...
пуско-зар
Автоматическое пуско-зарядное устройство. Схема...
Проще не бывает! Регулируемое Пуско зарядное ус...
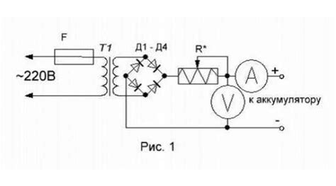
Схема пуско зарядного устройства
Принципиальные схемы пуско зарядных устройств д...
Пускорегулирующие аппаратура электродвигателя: ...
Устройство регулирующее РП4-У-М1 (1079205618) к...
Как сделать простое пуско-зарядное устройство с...
ПУСКОРЕГУЛИРУЮЩЕЕ УСТРОЙСТВО ДЛЯ ГАЗОРАЗРЯДНЫХ ...
Как пользоваться пуско зарядным устройством для...
Пуско-зарядное устройство: что это и как правил...
Пуско зарядное устройство Автостарт, пусковое у...
Пуско-зарядное устройство для грузового автотра...
Какое пуско-зарядное устройство выбрать: советы...
Электронный пускорегулирующий аппарат. Что нужн...
Пускорегулирующая аппаратура. Виды и устройство...
Пуско-зарядное устройство "Дубна-М" инструкция.
Пускорегулирующие аппараты для люминесцентных л...
2. (Дизель) -Электрический привод.
Пуско зарядное устройство импульс зп 02