Блок зажимов Электротехник Тв-2506, 25а, 6 клем...
סלון דגם 2506 - דיור אינטריורס
Колодка ТВ 2506 - Чертежи, 3D Модели, Проекты, ...
IMG_2506 - Extreme IT
2506 | A Military Photo & Video Website
Наборный блок зажимов IEK БЗН ТВ-2506 2,5мм2 25...
Deutz 2506 am 12.09.2015 auf dem Schleppertreff...
t2506v : 다나와 통합검색
IMG_2506-2 | penchi.jp
Kserokopiarka Toshiba e-studio 2506 - Maxcopiers
Модель №2506
2506 - InterGold
2506/1963
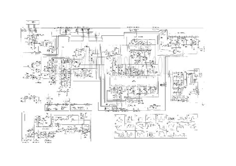
CHINA TV C2506 SCH Service Manual download, sch...
Svorkovnice TB-2506 6x6mm2 : H A D E X , spol. ...
فتوکپی TOSHIBA E-STUDIO 2506 نمایندگی فروش محصو...
ТВ 2506 колодка клеммная на 25 А с 6 парами кон...
Блок зажимов TDM ELECTRIC ТВ-2506 SQ 0531-0010 ...
Колодка клеммная: ТВ-2506 - купить с доставкой ...
2506 - যৌথমূলধন কোম্পানি ও ফার্মসমূহের পরিদপ্তর-
پیچ گوشتی برقی صنعتی 600 وات رونیکس مدل 2506 - ...
Cầu đấu dạng khối CHINT TB-2506 - baa.vn
کلید دریل مدل 2506 رونیکس
Brigada 2506 Members
Tokarka TU 2506 / 230V
Gałka meblowa 2506 30 Srebrna Szczotkowana - Sk...
Клеммная колодка ТВ-2506 25А 6Р купить с достав...
IMG_2506 – The History Mom
Zahl 2506