Т-0,66, ТШ-0,66 трансформаторы тока. Описание. ...
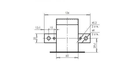
Трансформатор тока Т-0,66 (от 5/5 до 100/5, 0,5...
Трансформатор тока ТТ-0,66-ТШЛ VIII (50А-100А)
Трансформаторы тока (класс напряжения на 0,66кВ...
Трансформатор тока Т-0,66-1 (5А-200А)
Трансформатор Т-0,66М У3 (Iном. первичн. 5А-2000А)
ТШЛ-0,66, ТШЛ-0,66-I, ТШЛ-0,66-II Шинные трансф...
Трансформатор тока Т-0,66 купить по лучшей цене
ТПС-0,66 датчик тока трансформаторный. Описание...
ТТ-0,66 трансформаторы тока. Описание. Цена. За...
Класс напряжения ТТ до 1кВ Трансформаторы тока ...
Т-0,66 600/5 кл.0,5 трансформатор тока - ТОВ "Е...
ТКЛМ 0,66 Трансформаторы тока - YouTube
ТКЛМ 0,66 Трансформаторы - YouTube
Трансформатор Т-0,66; ТШ-0,66 ; Т-0,66-1; ТШ-0,...
Трансформатор ТКЛМ-0,66, трансформатор ТР-0,66,...
Измерительный трансформатор тока Т-0,66 — купит...
Трансформатор тока ТШ-0,66-3 У3 600/5 к.т. 0,5S...
Т-0,66-1-0,5-5ВА-100/5 У3 - купить трансформато...
Трансформаторы тока ТТ-0,66-ТШН
Технические характеристики ТСС-С-66
Т66 | Сладкарски цех Сладки Мечти
Купить тяги Т 66 из гипса