Трансформаторы от УНЧ УО-4 - Продам трансформат...
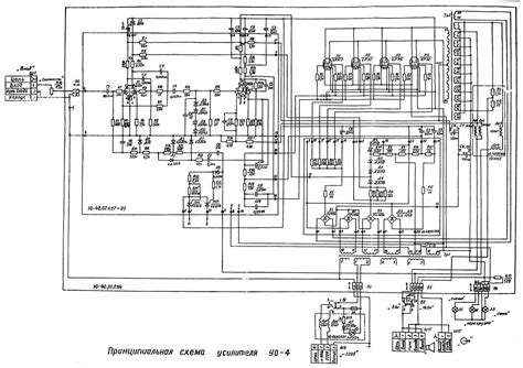
Усилитель вокальный ''УО-4'' (ЛОМО)ю
Делегация «U4U» посетила Киевщину
Тайна ХАМАС раскрыта: зачем отключили спутники ...
ЛОМО УО-4-1
ССО уничтожили 4-й Бук за месяц. Запад удивлён ...
4 и Юля | Пикабу
EU4 с платной подпиской - Europa Universalis 4 ...
Союз (4-й тур) - YouTube
u-4-e1582629604583 | «ДУСЛЫК»
4 и - YouTube
ЧЕЛЛЕНДЖ ЗА ПОЛЬШУ В EU4 ОТ ПОДПИСЧИКА - YouTube
ПОСЛЕ 1 МЕСЯЦА ЗАЛОЖНИКОВ, ОТКРЫЛ UE 4, И ОФИГЕ...
U4, Вена: лучшие советы перед посещением - Trip...
УО-4С — Схема подключения устройства передачи и...
🇺🇦 ЗІ ЛЬВОВА В ЛОС АНДЖЕЛЕС ПО U4U | ЯК УКРАЇНК...
Прев'ю 4-й тур: матчі-життя для Сербії і Іспані...
Робота в США для українських біженців за програ...
4- - YouTube
Юфс 4 - YouTube
Семинар 4-ч. - YouTube
4 країни ЄС об'єдналися з Україною задля спільн...
УО-4С исп.02 Устройство оконечное системы перед...
4. SЕО сайта и карточки товара - YouTube
🇺🇦 ФІТНЕС ТРЕНЕР В США | Ольга Лисенко про пере...
EU4: МЫ ИХ СДЕРЖИМ - YouTube
УО-4С исп.02 Устройство оконечное на 4 шлейфа |...
Видео для новичков в еу4 - YouTube
⚡️АВДІЇВКА зараз! ЗСУ РОЗБИЛИ 4 батальйони / Ок...
ФОТОГАЛЕРЕЯ Київського УВП №4 УТОС
Лечу в США по U4U - YouTube
УНИЯ С АВСТРИЕЙ В EU4: ПРУССИЯ №4 - YouTube
НАШ 4“ Б„ 💓 - YouTube